首頁
産品中心
锂電池快充放管理芯片
多口輸出動态功率調節芯片
快充協議芯片
無線充系列
加密IC
ACDC
應用方案
資訊中心
關于智融
加入智融
中
/
EN
聯系我們
5V/3.4A 單芯片 Type-C 移動電源解決方案
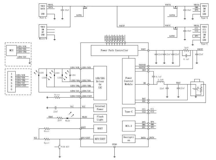
SW6009 是一款高集成度的 Type-C 移動電源專用多合一芯片, 其集成了 3A 高效率開關充電, 3.4A 高效同步升壓輸出, 電量計量, 數碼管/LED 燈顯示以及相應的控制管理邏輯。 外圍隻需少量的器件, 即可組成完整的高性能 Type-C 移動電源解決方案。
應用領域
移動電源
其他電池供電設備
規格
功能框圖
查看PDF詳細資料
下載資料包
填寫以下信息即可獲取資料包。
獲取驗證碼
提交留言