首頁
産品中心
锂電池快充放管理芯片
多口輸出動态功率調節芯片
快充協議芯片
無線充系列
加密IC
ACDC
應用方案
資訊中心
關于智融
加入智融
中
/
EN
聯系我們
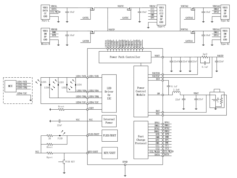
支持 PD 的五口多協議雙向快充移動電源解決方案
SW6206 是一款高集成度的多協議雙向快充移動電源專用多合一芯片, 支持 A+A+B+C+L 口任 意 口 快 充 。 其 集 成 了 5A 高 效 率 開 關 充 電 , 22.5W 高 效 同 步 升 壓 輸 出 , PPS/PD/QC/AFC/FCP/SCP/PE/SFCP 等多種快充協議, 電量計量, LED 燈顯示以及相應的控制管理 邏輯。 外圍隻需少量的器件, 即可組成完整的高性能雙向快充移動電源解決方案。
應用領域
移動電源
其他電池供電設備
規格
功能框圖
查看PDF詳細資料
下載資料包
填寫以下信息即可獲取資料包。
獲取驗證碼
提交留言