首頁
産品中心
锂電池快充放管理芯片
多口輸出動态功率調節芯片
快充協議芯片
無線充系列
加密IC
ACDC
應用方案
資訊中心
關于智融
加入智融
中
/
EN
聯系我們
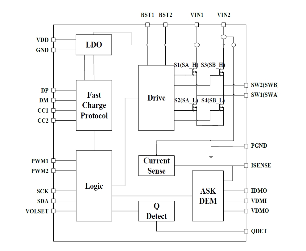
集成輸入快充的15W 無線充電發射端芯片
SW5006 是針對無線充電發射端最高15W 功率的Power Stage 芯片,支持直接驅動PWM 模式和寄存器參數控制PWM 模式,支持多種輸入快充協議,外圍隻需少量的器件,即可組成 完整的高性能無線充電發射端解決方案。
應用領域
無線充電移動電源
無線充電适配器
其它無線充電發射端設備
規格
功能框圖
下載資料包
查看PDF詳細資料
填寫以下信息即可獲取資料包。
獲取驗證碼
提交留言